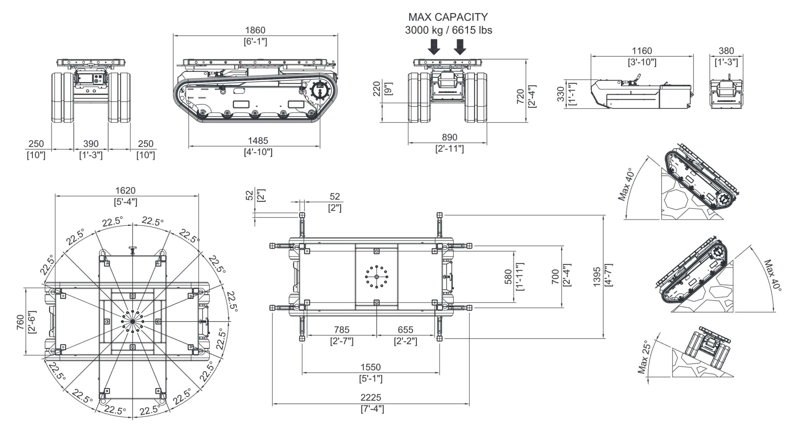
La plateforme ML 3.0 est conçue pour offrir une mobilité exceptionnelle et une stabilité optimale, même sur terrains irréguliers. Grâce à son système de chenilles autonivelant, elle s’adapte automatiquement aux pentes, dénivelés et surfaces accidentées, garantissant une utilisation en toute sécurité. Compacte et polyvalente, elle est idéale pour transporter du matériel, faciliter la manutention ou soutenir les travaux en zones difficiles d’accès. La ML 3.0 combine efficacité, robustesse et confort d’utilisation pour répondre aux exigences des chantiers modernes.

